安鼎風機有限公司-新北排煙通風工程
首頁
關於我們
最新消息
產品介紹
風機類
閘門類
消音箱
防火風管
型錄下載
安裝實績
常見問題
聯絡我們
產品介紹
Product
Home
產品介紹
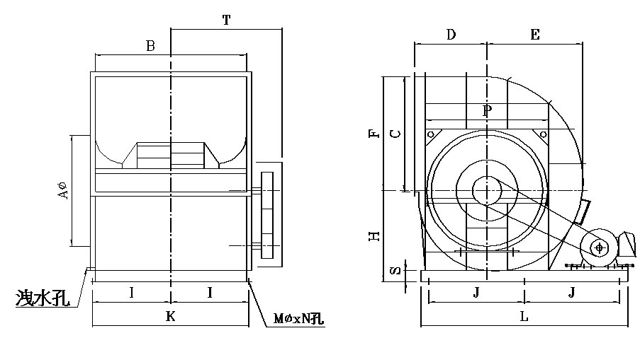
後傾雙吸風機
特點:
把原有的限定荷重風扇多翼式加以改良為新限定荷重風扇CAF-S/D型而實現了更高效率低噪音的高性能送風機。
同時可耐高溫運轉。最高溫度可耐500℃,適合用於消防排煙工程。
葉輪採用流體力學上損失最少的翼片,具有高效率,低噪音的限定荷重。
吸入口成鐘口(Bell Mouth)狀經由葉輪置外殼(Casing)吐出口止的流線型(Stream-Line)具有理想的形狀,故噪音比原來的多翼式少10%Db左右,尤其是滅音困難的低周波範圍的噪音能夠予以減低。
因翼片故比原來的構造要牢固得多,而且比原來的多翼式型其靜壓的使用範圍為廣。
產品諮詢
立即來電
產品材質表
與我們聯絡
Contact Us
安鼎風機有限公司一直以來秉持著「誠信、品質、服務」的理念,致力於為每位客戶提供滿意的體驗,我們相信,只有真正用心服務,才能得到客戶的信任與口碑,公司不僅提供優質的設備,還注重與客戶的溝通,積極回應客戶的需求與問題,無論是前期規劃、中期施工,還是後續維護,我們的團隊皆會以熱忱、專業的態度為客戶服務。
LINE客服
CONTACT
MENU
Copyright © 安鼎風機有限公司. All rights reserved.