安鼎風機有限公司-新北排煙通風工程
首頁
關於我們
最新消息
產品介紹
風機類
閘門類
消音箱
防火風管
型錄下載
安裝實績
常見問題
聯絡我們
產品介紹
Product
Home
產品介紹
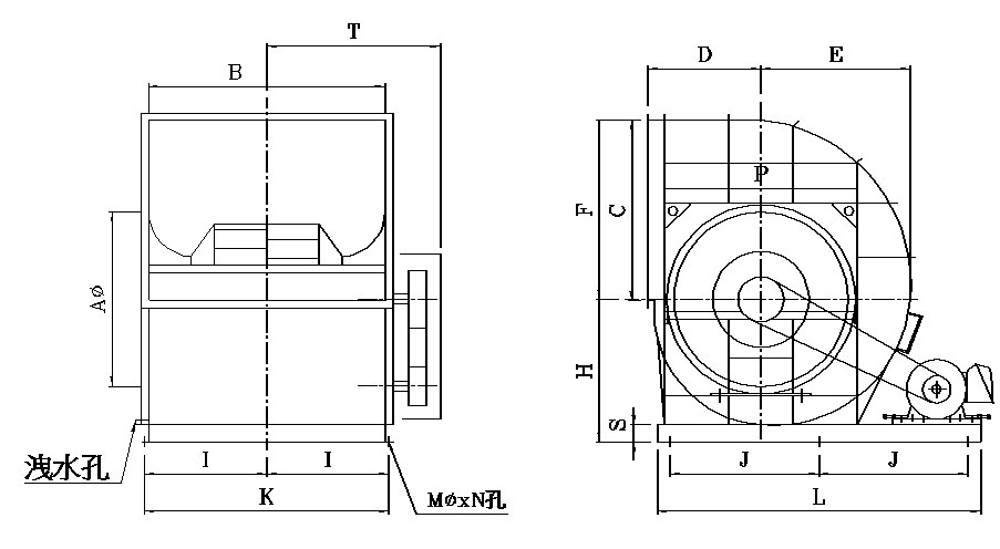
前傾雙吸式風機
特性:
送風量特大,耗電量少。
軸承置入口處,拆裝保養容易。
轉速低、噪音小、效率高。
適用場所:
冷暖氣房、廚房、地下室、磚廠等之通風換氣,排油煙等用
產品諮詢
立即來電
產品材質表
與我們聯絡
Contact Us
安鼎風機有限公司一直以來秉持著「誠信、品質、服務」的理念,致力於為每位客戶提供滿意的體驗,我們相信,只有真正用心服務,才能得到客戶的信任與口碑,公司不僅提供優質的設備,還注重與客戶的溝通,積極回應客戶的需求與問題,無論是前期規劃、中期施工,還是後續維護,我們的團隊皆會以熱忱、專業的態度為客戶服務。
LINE客服
CONTACT
MENU
Copyright © 安鼎風機有限公司. All rights reserved.